SKU NES350
NES350
USD 80
USD 88
USD 71
USD 62
USD 71
Sin stock
Descripción
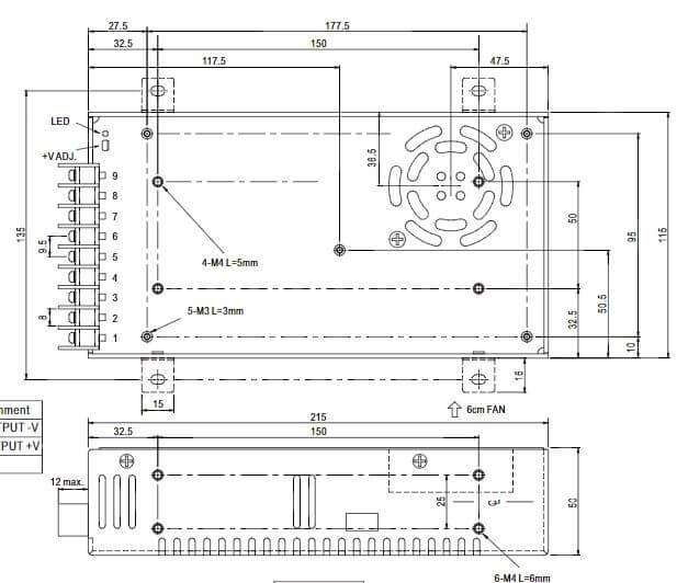
Fuente continua para strip lights 350W/240V/12V. Alimenta hasta 72m de strip light SMD3528, 24m de strip light de alto brillo SMD5050 y 29m de strip light de alto brillo SMD2835. IP 20 Medidas:215x115x50mm
Pre-order
Cantidad
-
+
Producto sin stock

